Product Summary
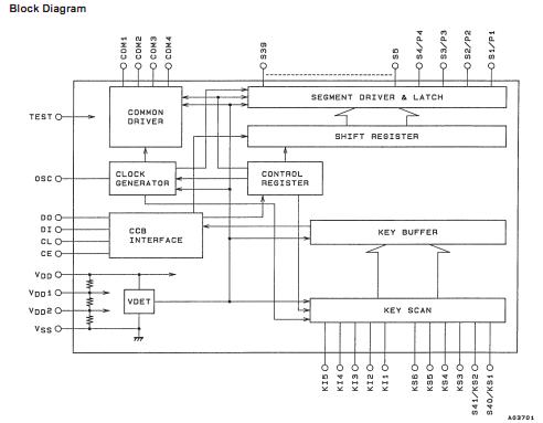
The LC75854 is a 1/4 duty LCD display driver that can directly drive up to 164 segments and can control up to four general-purpose output ports. The LC75854 also incorporates a key scan circuit that accepts input from up to 30 keys to reduce printed circuit board wiring.
Parametrics
LC75854 absolute maximum ratings: (1)Maximum supply voltage, VDD max: –0.3 to +7.0 V; (2)Input voltage, VIN1: –0.3 to +7.0 V; VIN2: –0.3 to VDD + 0.3 V; (3)Output voltage, VOUT1: –0.3 to +7.0 V; VOUT2: –0.3 to VDD + 0.3 V; (4)Output current, IOUT1: 300 μA; IOUT2: 3 mA; IOUT3: 1 mA; IOUT4: 5 mA; (5)Allowable power dissipation, Pd: 200 mW; (6)Operating temperature, Topr: –40 to +85℃; (7)Storage temperature, Tstg: –55 to +125℃.
Features
LC75854 features: (1)Key input function for up to 30 keys (A key scan is performed only when a key is pressed.); (2)1/4 duty - 1/2 bias and 1/4 duty - 1/3 bias drive schemes can be controlled from serial data (up to 164 segments); (3)Sleep mode and all segments off functions that are controlled from serial data; (4)Segment output port/general-purpose output port function switching that is controlled from serial data; (5)Serial data I/O supports CCB format communication with the system controller; (6)Direct display of display data without the use of a decoder provides high generality; (7)Provision of an on-chip voltage-detection type reset circuit prevents incorrect displays; (8)RC oscillator circuit.
Diagrams

| Image | Part No | Mfg | Description | ![]() |
Pricing (USD) |
Quantity | ||||||||||||
|---|---|---|---|---|---|---|---|---|---|---|---|---|---|---|---|---|---|---|
![]() |
![]() LC75854E |
![]() Other |
![]() |
![]() Data Sheet |
![]() Negotiable |
|
||||||||||||
![]() |
![]() LC75854W |
![]() Other |
![]() |
![]() Data Sheet |
![]() Negotiable |
|
||||||||||||
![]() |
![]() LC75854W-TLM-E |
![]() ON Semiconductor |
![]() LCD Drivers |
![]() Data Sheet |
![]()
|
|
||||||||||||
(China (Mainland))









