Product Summary
The THB7128 is a PWM current control stepping motor driver. It is suitable for Industrial equipment etc.
Parametrics
THB7128 absolute maximum ratings: (1)supply voltage, VMmax: 40V; (2)Peak output current, Iopmax: 3.3A; (3)Logic input voltage, VINmax: 6 V; (4)VREF input voltage, VREFmax: 3 V; (5)Operating substrate temperature, Tc: -30 to +105℃; (6)Storage temperature, Tstg: -40 to +125℃.
Features
THB7128 features: (1)Output on-resistance (High side 0.3Ω, Low side 0.25Ω, Total 0.55Ω; Ta = 25℃, IO = 2.5A); (2)VMmax=40V(DC), Iopmax=3.3A; (3)2, 1-2, W1-2, 2W1-2, 4W1-2, 8W1-2, 16W1-2, 32W1-2 phaseexcitation are selectable; (4)With built-in automatic half current maintenance energizing function; (5)Over current protection circuit; (6)Thermal shutdown circuit; (7)Input pull down resistance; (8)With reset pin and enable pin.
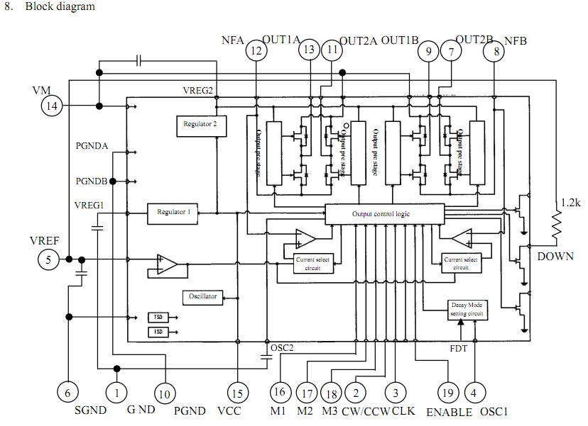
Diagrams

(China (Mainland))






