Product Summary

The 6MBP75RA060 is an IGBT-IPM.

Parametrics

6MBP75RA060 absolute maximum ratings: (1)DC bus voltage, VDC: 450V; (2)DC bus voltage (surge), VDC(surge): 500V; (3)DC bus voltage (short operating), VSC: 200 to 400V; (4)Collector-Emitter voltage, VCES: 0 to 600V; (5)INV Collector current DC, IC: 75A; 1ms, ICP: 150A; Duty=61.7%, Ic: 75A; Collector power dissipation, Pc: 320W; (6)Junction temperature: 150℃; (7)Input voltage of power supply for Pre-Driver: 20V; (8)Input signal current: 1mA; (9)Alarm signal current: 15mA; (10)Storage temperature: -40 to 125℃; (11)Operating case temperature: -20 to 100℃.

Features

6MBP75RA060 features: (1)Temperature protection provided by directly detecting the junction temperature of the IGBTs; (2)Low power loss and soft switching; (3)High performance and high reliability IGBT with overheating protection; (4)Higher reliability because of a big decrease in number of parts in built-in control circuit.

Diagrams

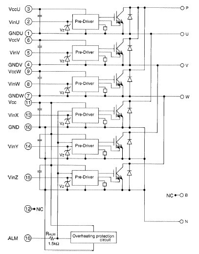
6MBP75RA060 block diagram

6MBP 150RA-060
6MBP 150RA-060

Other


Data Sheet

Negotiable 
6MBP 15RH-060
6MBP 15RH-060

Other


Data Sheet

Negotiable 
6MBP 75RA-120
6MBP 75RA-120

Other


Data Sheet

Negotiable 
6MBP100RTA-060
6MBP100RTA-060

Other


Data Sheet

Negotiable 
6MBP100RTB060
6MBP100RTB060

Other


Data Sheet

Negotiable 
6MBP150RA120
6MBP150RA120

Other


Data Sheet

Negotiable