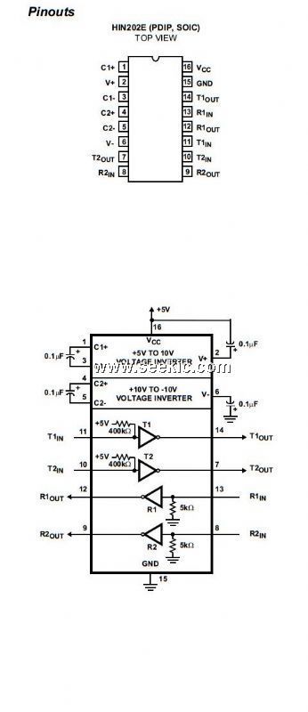
Product Summary
The HIN202EIBNZ of RS-232 transmitters/receivers interface circuits meet all ElA high-speed RS-232E and V.28
specifications, and are particularly suited for those applications where ±12V is not available. A redesigned transmitter
circuit improves data rate and slew rate, which makes this suitable for ISDN and high speed modems. The transmitter
outputs and receiver inputs are protected to ±15kV ESD (Electrostatic Discharge). It require a single +5V power
supply and feature onboard charge pump voltage converters which generate +10V and -10V supplies from the
5V supply.
The drivers feature true TTL/CMOS input compatibility, slew rate-limited output, and 300Ω power-off source impedance.
The receivers can handle up to ±30V input, and have a 3kΩ to 7kΩ input impedance. The receivers also feature
hysteresis to greatly improve noise rejection.
Parametrics
HIN202EIBNZ Parametrics:(1)500mV (2)Data Rate:230kbps (3)Voltage - Supply:4.5 V ~ 5.5 V
(4)Operating Temperature:-40°C ~ 85°C
Features
HIN202EIBNZ Features:(1)Pb-Free Plus Anneal Available (RoHS Compliant) (2)High Speed ISDN Compatible: 230kbits/s
(3)ESD Protection for RS-232 I/O Pins to ±15kV (IEC61000) (4)Meets All RS-232E and V.28 Specifications
(5)Requires Only 0.1μF or Greater External Capacitors (6)Two Receivers Active in Shutdown Mode (HIN213E)
(7)Requires Only Single +5V Power Supply (8)Onboard Voltage Doubler/Inverter (9)Low Power Consumption (Typ):5mA
(10)Low Power Shutdown Function (Typ):1μA (11)Three-State TTL/CMOS Receiver Outputs
(12)Multiple Drivers:①±10V Output Swing for +5V Input ②300Ω Power-Off Source Impedance ③Output Current Limiting
④TTL/CMOS Compatible
(13)Multiple Receivers:①±30V Input Voltage Range ②3kΩ to 7kΩ Input Impedance ③0.5V Hysteresis to Improve Noise
Rejection
Diagrams

| Image | Part No | Mfg | Description | ![]() |
Pricing (USD) |
Quantity | ||||||||||||
|---|---|---|---|---|---|---|---|---|---|---|---|---|---|---|---|---|---|---|
![]() |
![]() HIN202EIBNZ |
![]() Intersil |
![]() RS-232 Interface IC RS232 5V 2D/2R 15KV 0.1UF 16NSOIC IND |
![]() Data Sheet |
![]()
|
|
||||||||||||
![]() |
![]() HIN202EIBNZ-T |
![]() Intersil |
![]() RS-232 Interface IC RS232 5V 2D/2R 15KV 0 1UF 16N IND |
![]() Data Sheet |
![]()
|
|
||||||||||||
![]() |
![]() HIN202EIBNZ-T7A |
![]() Intersil |
![]() RS-232 Interface IC RS232 5V 2D/2R 15KV 0 1UF 16N INDE |
![]() Data Sheet |
![]()
|
|
||||||||||||
(China (Mainland))









